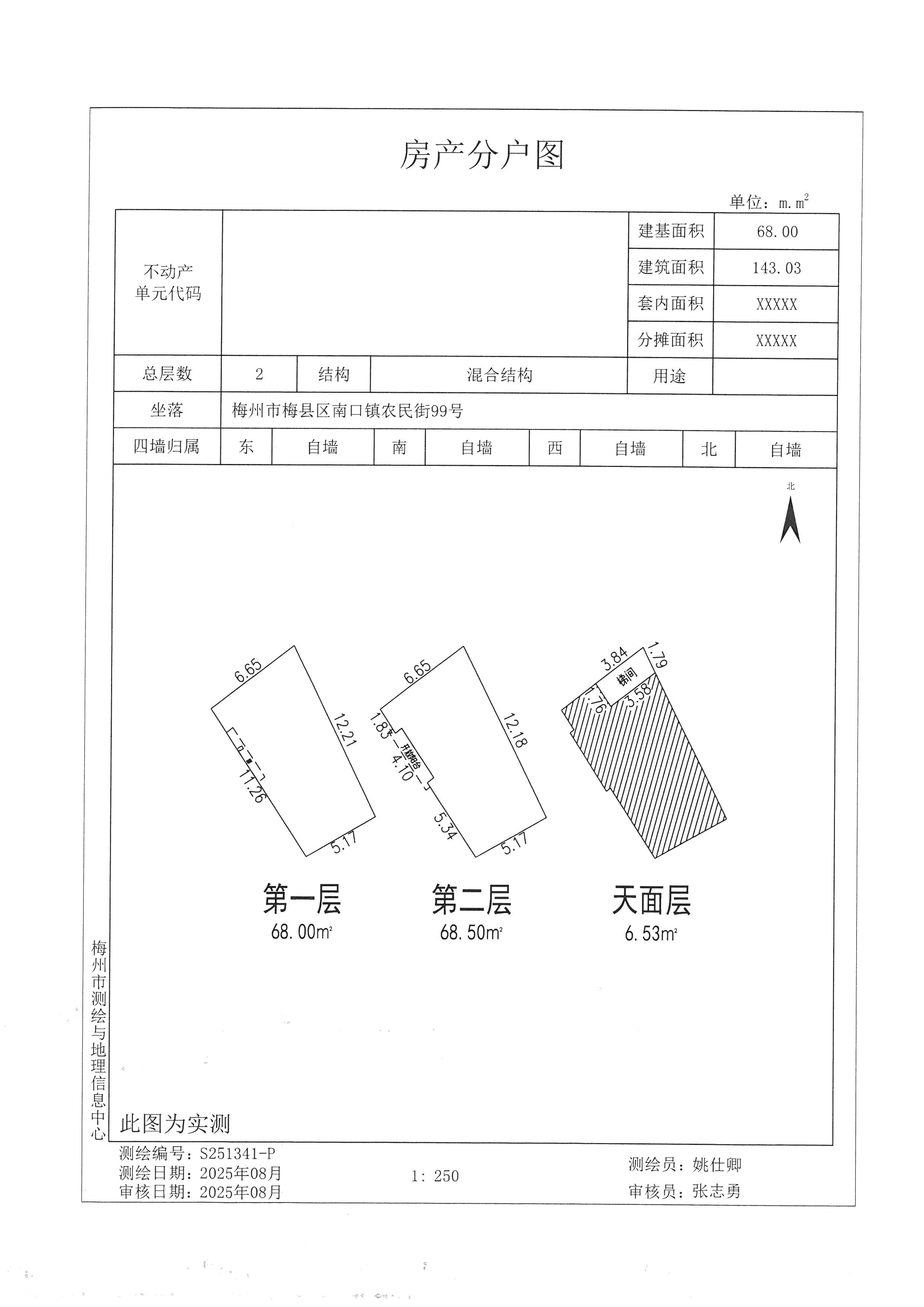
该房屋由罗银发、毛桂珍于1981年10月建造,坐落于梅县区南口镇农民街99号,占地面积68平方米,建筑面积143.03平方米。因建造人罗银发于2017年2月13日、毛桂珍于2022年8月11日去世,其名下的财产份额系其遗产。根据申请人提交户籍证明等相关材料确认罗战昌、罗新昌、罗伦昌为法定继承人。根据上述法定继承人提交的协议书、具结书确认该遗产由罗战昌继承。经初步审定,拟对该不动产权利予以首次登记,根据《不动产登记暂行条例实施细则》第十七条的规定和《不动产操作规范》(试行)第1.8.6.5条规定,现对拟登记的不动产登记事项进行公示。如有异议,请自本公告之日起十五个工作日内(2025年 10月16日之前)将异议书面材料送达我机构。逾期无人提出异议或者异议不成立的,将予以登记。
异议书面材料送达地址:梅州市梅县区府前大道41号梅州市自然资源局梅县分局三楼不动产登记中心权籍调查部
联系方式(电话): 0753-2589087
序号 | 权利人 | 不动产 权利类型 | 不动产坐落 | 不动产面积土地/ 房屋(m2) | 用途 |
1 | 罗战昌 | 宅基地使用权/房屋所有权 | 梅县区南口镇农民街99号 | 土地:68 房屋:143.03 | 农村宅基地/住宅 |
公告单位(盖章):梅州市梅县区不动产登记中心
2025年9月18日



